কিভাবে একটি DCDC ধ্রুবক বর্তমান চিপ উচ্চ-নির্ভুল শক্তি নিয়ন্ত্রণে কাজ করে?


প্রবন্ধ বিমূর্ত

A DCDC কনস্ট্যান্ট কারেন্ট চিপআধুনিক পাওয়ার ম্যানেজমেন্ট সিস্টেমের একটি মূল উপাদান, লোড বা ইনপুট ভোল্টেজ বৈচিত্র নির্বিশেষে একটি স্থিতিশীল এবং নিয়ন্ত্রণযোগ্য আউটপুট কারেন্ট সরবরাহ করার জন্য ডিজাইন করা হয়েছে। এই নিবন্ধটি কীভাবে DCDC কনস্ট্যান্ট কারেন্ট চিপস কাজ করে তার একটি বিস্তৃত প্রযুক্তিগত ওভারভিউ প্রদান করে, মূল বৈদ্যুতিক পরামিতিগুলি পরীক্ষা করে, বাস্তব-বিশ্বের অ্যাপ্লিকেশন পরিস্থিতিগুলি অন্বেষণ করে এবং প্রায়শই জিজ্ঞাসিত প্রযুক্তিগত প্রশ্নের উত্তর দেয়। বর্তমান অনুসন্ধান আচরণ এবং পেশাদার পড়ার অভ্যাসের সাথে সামঞ্জস্য রেখে বিষয়বস্তুটি ইঞ্জিনিয়ারিং সিদ্ধান্ত গ্রহণ, উপাদান নির্বাচন এবং দীর্ঘমেয়াদী সিস্টেম অপ্টিমাইজেশনকে সমর্থন করার জন্য গঠন করা হয়েছে।

AS6911SGA


সূচিপত্র


বিষয়বস্তুর রূপরেখা

  • মৌলিক কাজের নীতি এবং অভ্যন্তরীণ স্থাপত্য
  • বৈদ্যুতিক এবং তাপীয় পরামিতিগুলির বিস্তারিত ব্যাখ্যা
  • শিল্প, স্বয়ংচালিত, এবং ভোক্তা ইলেকট্রনিক্স অ্যাপ্লিকেশন
  • প্রযুক্তিগত প্রায়শই জিজ্ঞাসিত প্রশ্নগুলি সাধারণ ইঞ্জিনিয়ারিং চ্যালেঞ্জগুলিকে সম্বোধন করে৷
  • ভবিষ্যত উন্নয়ন প্রবণতা এবং সিস্টেম-স্তরের একীকরণ

1. কিভাবে একটি DCDC কনস্ট্যান্ট কারেন্ট চিপ কারেন্ট নিয়ন্ত্রণ করার জন্য ডিজাইন করা হয়?

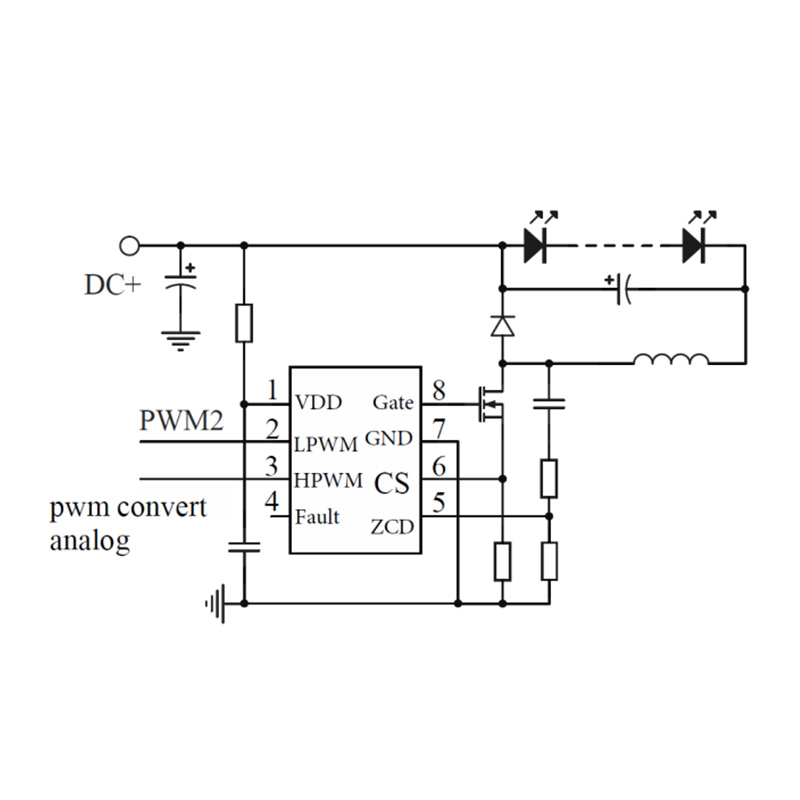
একটি DCDC কন্সট্যান্ট কারেন্ট চিপ হল একটি সুইচিং-মোড পাওয়ার ম্যানেজমেন্ট ইন্টিগ্রেটেড সার্কিট যা শুল্ক চক্র, সুইচিং ফ্রিকোয়েন্সি এবং ফিডব্যাক কন্ট্রোল লুপগুলিকে গতিশীলভাবে সামঞ্জস্য করে একটি নির্দিষ্ট আউটপুট কারেন্ট বজায় রাখে। ধ্রুবক ভোল্টেজ নিয়ন্ত্রকদের বিপরীতে, প্রাথমিক নিয়ন্ত্রণ ভেরিয়েবল ভোল্টেজের পরিবর্তে বর্তমান, এই ধরনের চিপকে এলইডি, লেজার ডায়োড, ব্যাটারি চার্জিং সার্কিট এবং নির্ভুল সেন্সরের মতো লোডের জন্য অপরিহার্য করে তোলে।

অভ্যন্তরীণভাবে, চিপটি একটি উচ্চ-গতির ত্রুটি পরিবর্ধক, কারেন্ট সেন্স কম্প্যারেটর, রেফারেন্স ভোল্টেজ সোর্স এবং পাওয়ার MOSFET ড্রাইভারকে সংহত করে। লোডের মধ্য দিয়ে প্রবাহিত কারেন্ট একটি অভ্যন্তরীণ বা বাহ্যিক ইন্দ্রিয় প্রতিরোধকের মাধ্যমে নমুনা করা হয়। এই সংবেদিত সংকেতটিকে একটি রেফারেন্স থ্রেশহোল্ডের সাথে তুলনা করা হয় এবং নিয়ন্ত্রণ যুক্তি লাইন বা লোড পরিবর্তনের জন্য ক্ষতিপূরণ দিতে সুইচিং আচরণকে সামঞ্জস্য করে।

কেন্দ্রীয় নকশা উদ্দেশ্য হল বিভিন্ন ইনপুট অবস্থার অধীনে বর্তমান স্থিতিশীলতা। বক, বুস্ট বা বক-বুস্ট টপোলজিতে কাজ করার মাধ্যমে, একটি DCDC কনস্ট্যান্ট কারেন্ট চিপ ব্যাপক ইনপুট ভোল্টেজ রেঞ্জ সমর্থন করতে পারে যখন দক্ষতা এবং তাপ সুরক্ষা সংরক্ষণ করে।


2. কীভাবে মূল পরামিতিগুলি একটি DCDC ধ্রুবক বর্তমান চিপের কর্মক্ষমতা নির্ধারণ করে?

একটি উপযুক্ত DCDC কনস্ট্যান্ট কারেন্ট চিপ নির্বাচন করার জন্য এর বৈদ্যুতিক, তাপীয় এবং নিয়ন্ত্রণ বৈশিষ্ট্যগুলির ঘনিষ্ঠ মূল্যায়ন প্রয়োজন। এই প্যারামিটারগুলি সরাসরি সিস্টেমের নির্ভরযোগ্যতা, দক্ষতা এবং নিয়ন্ত্রক মানগুলির সাথে সম্মতিকে প্রভাবিত করে।

প্যারামিটার সাধারণ পরিসর প্রযুক্তিগত গুরুত্ব
ইনপুট ভোল্টেজ পরিসীমা 3V - 60V ব্যাটারি প্যাক, অ্যাডাপ্টার বা শিল্প বাসের সাথে সামঞ্জস্যপূর্ণতা নির্ধারণ করে
আউটপুট বর্তমান নির্ভুলতা ±1% থেকে ±5% গতিশীল লোডের অধীনে বর্তমান নিয়ন্ত্রণের নির্ভুলতা নির্ধারণ করে
সুইচিং ফ্রিকোয়েন্সি 100kHz – 2MHz দক্ষতা, ইএমআই কর্মক্ষমতা, এবং প্যাসিভ উপাদান আকার প্রভাবিত করে
কর্মদক্ষতা 85% - 98% সরাসরি তাপ অপচয় এবং শক্তি ক্ষতি প্রভাবিত করে
তাপ সুরক্ষা 150°C - 170°C শাটডাউন ওভারলোড বা অপর্যাপ্ত কুলিং এর অধীনে ডিভাইস ব্যর্থতা প্রতিরোধ করে

উন্নত ডিভাইসগুলি সফট-স্টার্ট কন্ট্রোল, পিডব্লিউএম ডিমিং ইন্টারফেস, অ্যানালগ কারেন্ট অ্যাডজাস্টমেন্ট এবং ফল্ট ডায়াগনস্টিকসের মতো বৈশিষ্ট্যগুলিকেও একীভূত করে। এই ক্ষমতাগুলি সিস্টেম-স্তরের নকশাকে সরল করে এবং বাহ্যিক সার্কিট্রির প্রয়োজনীয়তা হ্রাস করে।


DCDC ধ্রুবক বর্তমান চিপ - সাধারণ প্রশ্ন এবং উত্তর

প্রশ্ন: ইনপুট ভোল্টেজ ওঠানামা করলে কীভাবে একটি DCDC কনস্ট্যান্ট কারেন্ট চিপ স্থিতিশীল আউটপুট বজায় রাখে?

উত্তর: চিপটি একটি ফিডব্যাক লুপের মাধ্যমে ক্রমাগত লোড কারেন্ট নিরীক্ষণ করে এবং রিয়েল টাইমে সুইচিং ডিউটি ​​চক্রকে সামঞ্জস্য করে, নিয়ন্ত্রিত বর্তমান স্তর পরিবর্তন না করে ইনপুট ভোল্টেজের কোনো পরিবর্তনের জন্য ক্ষতিপূরণ দেয়।

প্রশ্ন: উচ্চ-কারেন্ট ডিসিডিসি কনস্ট্যান্ট কারেন্ট চিপ অ্যাপ্লিকেশনগুলিতে তাপ কীভাবে পরিচালিত হয়?

উত্তর: উচ্চ-দক্ষতা সুইচিং টপোলজির মাধ্যমে তাপ পরিচালিত হয়, কম RDS(চালু)MOSFETs, থার্মাল শাটডাউন সার্কিট এবং অপ্টিমাইজ করা PCB লেআউট যা তাপ অপচয়কে উন্নত করে।

প্রশ্ন: সিস্টেম ডিজাইনে একটি ধ্রুবক ভোল্টেজ নিয়ন্ত্রক থেকে একটি ধ্রুবক বর্তমান চিপ কীভাবে আলাদা?

উত্তর: একটি ধ্রুবক বর্তমান চিপ ভোল্টেজ স্থায়িত্বের পরিবর্তে বর্তমান নির্ভুলতাকে অগ্রাধিকার দেয়, এটি বর্তমান-সংবেদনশীল লোডের জন্য উপযুক্ত করে তোলে যেখানে অপারেটিং অবস্থার উপর নির্ভর করে ভোল্টেজ পরিবর্তিত হতে পারে।


3. কিভাবে একটি DCDC কনস্ট্যান্ট কারেন্ট চিপ সমস্ত শিল্পে প্রয়োগ করা হয়?

DCDC কনস্ট্যান্ট কারেন্ট চিপগুলি তাদের নমনীয়তা এবং দক্ষতার কারণে একাধিক শিল্প জুড়ে ব্যাপকভাবে স্থাপন করা হয়। সলিড-স্টেট লাইটিং সিস্টেমে, তারা অভিন্ন উজ্জ্বলতা নিশ্চিত করে এবং LED জীবনকাল প্রসারিত করে। স্বয়ংচালিত ইলেকট্রনিক্সে, তারা অভিযোজিত আলো, যন্ত্র ক্লাস্টার এবং ব্যাটারি ব্যবস্থাপনা সাবসিস্টেম সমর্থন করে।

শিল্প অটোমেশন সিস্টেমগুলি এই চিপগুলি সেন্সর, অ্যাকুয়েটর এবং অপটিক্যাল উপাদানগুলি চালাতে ব্যবহার করে যার জন্য অনুমানযোগ্য বর্তমান আচরণ প্রয়োজন। সিগন্যালের নির্ভুলতা এবং রোগীর নিরাপত্তা নিশ্চিত করতে মেডিকেল ডিভাইসগুলি স্থির বর্তমান নিয়ন্ত্রণের উপর নির্ভর করে। কনজিউমার ইলেকট্রনিক্স কমপ্যাক্ট ইন্টিগ্রেশন এবং কম বিদ্যুত খরচ থেকে উপকৃত হয়, বিশেষ করে পোর্টেবল ডিভাইসে।

প্রতিটি অ্যাপ্লিকেশন দৃশ্যকল্প অনন্য বৈদ্যুতিক এবং পরিবেশগত প্রয়োজনীয়তা আরোপ করে, উপযুক্ত সুরক্ষা বৈশিষ্ট্য এবং নিয়ন্ত্রণ ইন্টারফেস সহ একটি চিপ নির্বাচন করার গুরুত্বকে শক্তিশালী করে।


4. ডিসিডিসি কনস্ট্যান্ট কারেন্ট চিপ প্রযুক্তি কীভাবে বিকশিত হবে?

ডিসিডিসি কনস্ট্যান্ট কারেন্ট চিপ প্রযুক্তির বিবর্তন উচ্চ দক্ষতা, ব্যাপক ইনপুট ভোল্টেজ সহনশীলতা এবং বুদ্ধিমান নিয়ন্ত্রণের চাহিদা বৃদ্ধির দ্বারা চালিত হয়। ভবিষ্যত ডিজাইনগুলি ডিজিটাল কন্ট্রোল লুপ, অ্যাডাপ্টিভ কারেন্ট স্কেলিং এবং মাইক্রোকন্ট্রোলার এবং কমিউনিকেশন ইন্টারফেসের সাথে আরও কঠোর ইন্টিগ্রেশনের উপর জোর দেয়।

ওয়াইড-ব্যান্ডগ্যাপ সেমিকন্ডাক্টর উপকরণ যেমন GaN এবং SiC উচ্চতর স্যুইচিং ফ্রিকোয়েন্সি সক্ষম করে এবং পরিবাহিত ক্ষতি হ্রাস করে পরবর্তী প্রজন্মের আর্কিটেকচারকে প্রভাবিত করছে। উপরন্তু, সিস্টেম-অন-চিপ ইন্টিগ্রেশন নির্ভরযোগ্যতা বাড়ানোর সময় পদচিহ্ন হ্রাস করছে।

পাওয়ার সিস্টেমগুলি আরও বিতরণ এবং বুদ্ধিমান হয়ে উঠলে, ধ্রুবক বর্তমান নিয়ন্ত্রণ শক্তি দক্ষতা এবং কর্মক্ষমতা অপ্টিমাইজেশানকে সমর্থনকারী একটি ভিত্তিগত ক্ষমতা থাকবে।


Shenzhen Cokintech Co., Ltd.শিল্প, স্বয়ংচালিত, এবং উন্নত ইলেকট্রনিক্স অ্যাপ্লিকেশনের জন্য তৈরি উচ্চ-পারফরম্যান্স ডিসিডিসি কনস্ট্যান্ট কারেন্ট চিপ সমাধানগুলির বিকাশ এবং সরবরাহের উপর দৃষ্টি নিবদ্ধ করে। ক্রমাগত ইঞ্জিনিয়ারিং পরিমার্জন এবং গুণমান-চালিত উত্পাদনের মাধ্যমে, কোম্পানি স্থিতিশীল এবং মাপযোগ্য শক্তি ব্যবস্থাপনা ডিজাইন সমর্থন করে।

প্রযুক্তিগত পরামর্শ, পরামিতি কাস্টমাইজেশন বা অ্যাপ্লিকেশন-নির্দিষ্ট সুপারিশের জন্য, অনুগ্রহ করেআমাদের সাথে যোগাযোগ করুনপ্রকল্পের প্রয়োজনীয়তা এবং দীর্ঘমেয়াদী সহযোগিতার সুযোগ নিয়ে আলোচনা করতে।

অনুসন্ধান পাঠান

X
আমরা আপনাকে একটি ভাল ব্রাউজিং অভিজ্ঞতা দিতে, সাইটের ট্র্যাফিক বিশ্লেষণ করতে এবং সামগ্রী ব্যক্তিগতকৃত করতে কুকিজ ব্যবহার করি। এই সাইটটি ব্যবহার করে, আপনি আমাদের কুকিজ ব্যবহারে সম্মত হন। গোপনীয়তা নীতি